欢迎光临泊头市万恒除尘设备有限公司官网!
产品咨询热线:18732715222
联系我们

手机:18732715222

固话:0317-8081555

固话:0317-8381222

售后:13832715444

邮箱:438745147@qq.com

地址:河北省泊头市四营乡常三番村

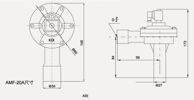
AMF-20A

    编辑:泊头市万恒除尘设备有限公司      时间:2024年11月05日

技术参数
工作压力:0.4~0.6Mpa
工作介质:清洁空气

电压:DC24V、AC220V、AC110V
电流:0.8A、0.23A

使用环境

  • 温度:-25°C~+55°C,空气的相对湿度不超过85%

膜片寿命:喷吹100万次或三年



相关产品/ RELATED PRODUCTS
在线客服
联系方式

热线电话

18732715222

上班时间

周一到周日

二维码
线